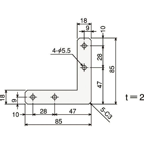
TRUSCO アルミフレーム TSF20用SプレートブラケットSS-L型 の特長
- フレームのT溝にナットを挿入し、ボルトで締結する専用部材です。
- 補強やブラケットを使用できない箇所に使用できます。
- ボルト(六角穴付ボルトM8X15)、ナット(TSFB004またはTSFNEL8)は別売りです。
¥38,500以上(税込)のご注文で配送料が無料になります。
会員登録 されると、次回の注文もスムーズです!
| 仕様・規格 |
|
|---|---|
| 材質・仕上げ |
|
| 質量・質量単位 | 54g |
| 使用条件 | ─ |
| 注意事項 | ─ |
| セット内容・付属品 | ─ |
| 製造国 | 日本(JP) |
| 発注コード | 1613402 |

