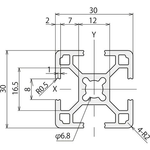
TRUSCO アルミフレーム TSF30フレーム 30×30mm 長さ1000mm の特長
- アルミの軽さを維持しながら、独自のフレーム断面で高剛性を実現しました。
- フレームの溝には専用ナットM3?M6が挿入でき、様々なボルトとの締結が可能です。
- 表面をアルマイト処理(9μm以上)にすることで腐食を防ぎ、長期間に渡り美観を保ちます。
¥38,500以上(税込)のご注文で配送料が無料になります。
会員登録 されると、次回の注文もスムーズです!
| 仕様・規格 |
|
|---|---|
| 材質・仕上げ |
|
| 質量・質量単位 | 840g |
| 使用条件 | ─ |
| 注意事項 | ─ |
| セット内容・付属品 | ─ |
| 製造国 | 日本(JP) |
| 発注コード | 1613503 |

