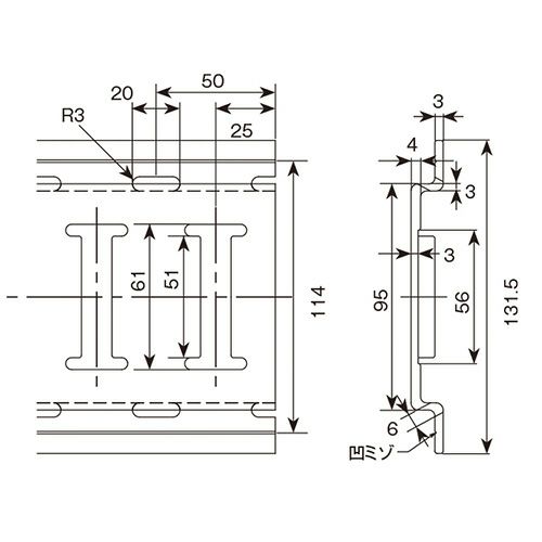
allsafe トラックレールI型 水抜き穴レール (アルミ製) ビス穴あり TR-HAH の特長
- トラック輸送の固定作業を正確に効率よく遂行するための荷台・庫内レールです。
- 端末金具付きのラッシングベルトやロープタイオフセットで使用すると作業効率が向上します。
- フランジコーナー部に水抜き穴があいており、水分が溜まることなく洗浄でき衛生的です。
トラック輸送の固定作業を正確に効率よく遂行するためのレールがトラックレール(ラッシングレール)です。
素材を吟味し、現場での具体的なニーズをていねいに反映して、細部にさまざまなアイデアを投入した機構を採用しています。
端末金具付ラッシンングベルト、またはロープタイオフとセットで使用すると作業効率もアップし、安全で確実な荷締め作業ができます。

| 仕様・規格 |
|
|---|---|
| 材質・仕上げ |
|
| 質量・質量単位 | 3.4kg |
| 使用条件 | ─ |
| 注意事項 |
|
| セット内容・付属品 | ─ |
| 製造国 | 日本(JP) |
| 発注コード | ─ |
